通用专业工程设计资质标准

标 准

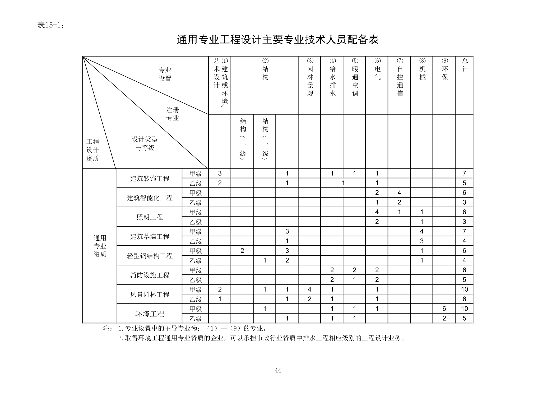
工程设计专业资质

1.工程设计专业甲级

1.1资信能力

(1)具有独立企业法人资格,或者是依照《中华人民共和国合伙企业法》成立的普通合伙企业。

(2)净资产 300 万元以上,或者合伙企业出资额 300 万元以上。

(3)近 3 年上缴工程勘察设计增值税每年 50 万元以上。

1.2主要人员

(1)主要技术负责人应当具有大学本科以上学历、注册执业资格或者高级专业技术职称、10 年以上工程设计经历,且在近 10 年作为项目负责人主持过所申请专业大型项目工程设计 2 项以上。

(2)主要专业技术人员数量满足所申请专业资质标准中主要专业技术人员配备表规定的要求。

(3)在主要专业技术人员配备表规定的人员中,主导专业的注册人员、非注册人员应当在近 10 年作为专业技术负责人或者项目负责人主持过所申请专业中型以上项目工程设计 3 项以上,其中,每个主导专业应有 1 名专业技术人员在近 10 年作为

专业技术负责人主持过所申请专业大型项目工程设计 2 项以上。

1.3工程业绩

近 10 年独立完成过的所申请专业中型以上项目工程设计 2 项以上,并已建成投产。

2.工程设计专业乙级

2.1资信能力

(1)具有独立企业法人资格,或者是依照《中华人民共和国合伙企业法》成立的普通合伙企业。

(2)净资产 100 万元以上,或者合伙企业出资额 100 万元以上。

2.2主要人员

(1)主要技术负责人应当具有大学本科以上学历、注册执业资格或者中级专业技术职称、10 年以上工程设计经历,在近 10 年作为项目负责人主持过所申请专业工程设计 3 项以上。

(2)主要专业技术人员数量满足所申请专业资质标准中主要专业技术人员配备表规定的要求。

(3)在主要专业技术人员配备表规定的人员中,主导专业的注册人员、非注册人员应当在近 10 年作为专业技术负责人或者项目负责人主持过所申请专业项目工程设计2项以上。

附 则

(一)资信能力。1.净资产。

净资产以企业申请资质前 1 年度或当期合法的财务报表中净资产指标为准考核。申请多项资质的,净资产不累加计算考核。

2.勘察设计增值税。

勘察设计增值税以企业申报的增值税完税证明或者增值税税收缴款书(含项目地和企业注册地主管税务机关)为准。“近 3 年”是指自申请资质年度起逆推 3 年。如:申报年度为 2022 年,则近 3 年是指 2019 年 1 月 1 日之后上缴的勘察设计增值税。

(二)主要人员。 1.主要技术负责人。

主要技术负责人是指企业中对所申请行业的工程设计业务在技术上负总责的人员。

2.项目负责人。

项目负责人是指企业中对工程设计项目负总责的人员。

3.专业技术负责人。

专业技术负责人是指企业中对工程设计项目的某个专业在技术上负总责的人员。

4.注册人员。

注册人员是指依法取得注册建筑师、勘察设计注册工程师执业资格证书,按照规定注册并执业的人员。

注册人员同时具有 2 个以上注册执业资格,考核时只认定 1 个专业的注册执业资格。

5.非注册人员。

非注册人员是指不需要注册执业资格的专业技术人员。

非注册人员应当具有大专以上学历、中级以上专业技术职称。注册人员作为非注册人员申报时,可提供注册执业证书认定其专业和技术职称,其学历水平和个人业绩等条件仍需按标准有关要求考核。

每名非注册人员只可作为 1 个专业技术岗位人员申报。

6.学历。

学历是指国务院教育行政主管部门认可的高等教育学历。

7.专业技术职称。

专业技术职称是指设区的市级以上人力资源社会保障部门或者其授权的单位评审的工程系列专业技术职称。

具有教学、研究系列职称的人员从事工程设计时,讲师、助理研究员可按工程系列中级职称考核;副教授、教授、副研究员、研究员可按工程系列高级职称考核。

8.专业设置。

工程设计主要专业技术人员配备表专业设置栏目中的专业,是指为完成工程设计所设置的专业技术岗位。高等教育学历专业与岗位一致的,称为本专业;与本专业同属于 1 个专业类的,称为相近专业。非注册人员的学历专业或者职称证书专业应当为本专业或者相近专业。

9.个人业绩。

(1)主导专业的注册人员、非注册人员应当考核相应个人业绩。各行业主导专业见工程设计主要专业技术人员配备表。

(2)二级注册建筑师、二级注册结构工程师,以及建筑、结构专业的非注册人员的个人业绩,也可是作为项目工程设计中建筑、结构专业的主要设计人所完成的业绩。

(3)申请行业资质时,主要技术负责人、主导专业的主要专业技术人员的个人业绩,不需涵盖所申请行业的相应设计类型。

10.主要技术负责人和主要专业技术人员年龄限 60 周岁以下。建筑工程设计事务所资质从其规定。

11.允许每个高等院校有 1 家所属设计企业可以聘请本校在职教师和科研人员作为企业的主要专业技术人员。在职教师和科研人员作为非注册人员考核时,其职称应

>满足讲师或者助理研究员以上要求。 12.主要技术负责人和主要专业技术人员应当为本企业的专职人员,由企业为其缴纳社会保险。高等院校教师、科研人员受聘于所属设计企业或者已依法办理退休手续的人员除外。13.工程设计主要专业技术人员配备表中,几个专业岗位共同配备一定数量的专业技术人员,是指人员总数达到标准要求的数量即可,每 1 个专业岗位的人员数量不作要求,也不要求专业岗位齐全。

14.申请 2 个以上工程设计行业或者专业资质时,应当同时满足工程设计主要专业技术人员配备表中相应行业、专业资质的专业设置或者注册专业的配置,人员的数量以其中的高值为准。个人业绩需分别满足所申请工程设计行业、专业资质对个人业绩的要求。

(三)工程业绩。

1.工程业绩是指企业依法承揽并独立完成的工程设计项目,应当独立签定工程设计合同。行业配套工程中符合工程设计规模标准,但未独立签定工程设计合同的业绩, 不作为申请资质时的有效工程设计业绩。

2.申请专业乙级资质的,不考核企业的工程业绩。

3.除综合资质外,只设甲级资质或者不分等级的,企业申请该资质时不考核企业的工程业绩。

4.申请乙级升甲级资质的,工程业绩应当是其取得相应乙级资质后所完成的中型项目,其数量以甲级资质标准中的中型项目考核指标为准。

5.申请行业资质时,工程业绩的设计类型应当满足所申请行业主要专业技术人员配备表要求。除民航行业乙级资质外,申请行业乙级资质的,工程业绩应当是其取得相应专业乙级资质后所完成的中型项目。

6.工程业绩可以是包含工程设计的工程总承包业绩。

7.工程业绩可以是在企业中国境外独立完成的。境外工程业绩应当提供驻外使领馆经商部门出具的证明工程真实性和项目规模的文件,以及相关中文翻译材料。

(四)科技活动经费、营业收入。

科技活动经费、营业收入分别以企业合法财务报表中“科技活动经费”“营业收入”为准。

(五)业务范围。

1.工程设计范围包括本行业建设工程项目的主体工程和配套工程(含厂/矿区内的自备电站、变电、供配电、余热发电、道路、专用铁路、通信、各种管网管线和配套的建筑物等全部配套工程),以及与主体工程、配套工程相关的工艺、土木、建筑、环境保护、水土保持、消防、安全、卫生、节能、防雷、抗震、照明工程等。

2.建筑工程设计范围包括建设用地规划许可证范围内的建筑物构筑物设计、室外工程设计、民用建筑修建的地下工程(含附建式人防工程)设计及住宅小区、工厂厂前区、工厂生活区的规划和单体设计等,以及所包含的相关专业的设计内容(总平面布置、竖向设计、各类管网管线设计、景观设计、室内外环境设计及建筑装饰、道路、消防、智能、安保、通信、防雷、人防、变电、供配电、照明、环境保护、空调设施、抗震加固等)。

3.具有工程设计资质的企业,可承担资质证书许可范围内的工程设计业务,以及与资质证书许可范围相应的工程项目管理和相关的技术、咨询与管理服务业务。承担业务的地区不受限制。

具有工程设计资质的企业,可按照有关行业规定承揽工程总承包、全过程工程咨询业务。

4.具有工程设计综合资质的企业不需再另行申请工程设计行业、专业或者事务所资质证书。

具有工程设计某行业资质的企业不需再另行申请该行业内相应等级的各专业资质证书。

5.具有建筑行业资质或者建筑工程专业资质的企业,可承担相应范围相应等级的建筑装修装饰工程、建筑智能化工程、建筑幕墙工程、轻型钢结构工程、消防设施工程和照明工程的设计业务。

具有建筑行业资质或者建筑工程专业资质的企业,不需再另行申请上述通用专业资质。

6.建筑工程设计事务所的业务范围。

建筑设计事务所可以承接所有等级的各类建筑工程项目方案设计、初步设计及施工图设计中的建筑专业设计与技术服务。

结构设计事务所可以承接所有等级的各类建筑工程项目方案设计、初步设计及施工图设计中的结构专业(包括轻钢结构、建筑幕墙)设计与技术服务。

机电设计事务所可以承接所有等级的各类建筑工程方案设计、初步设计及施工图设计中的机电设备专业(包括建筑智能化设计、消防设施)的设计与技术服务。

取得事务所资质的企业可根据工程的类别和性质,以联合体方式承接建筑工程项目设计业务。取得建筑设计事务所资质的企业可以承接建筑工程项目方案设计业务。

(六)建设项目设计规模划分表中,1 个建设项目可以由 2 个以上参数指标表述的,1 个参数指标满足大型项目标准的,即为大型项目。

(七)资质申请。

1.企业首次申请或者增项申请资质,可以直接申请专业乙级资质、只设甲级的专业甲级资质,以及民航行业乙级资质。

具有专业乙级资质的企业,可以申请相应专业甲级资质、行业乙级资质。 具有行业乙级资质或者专业甲级资质的企业,可以申请相应行业甲级资质。具有行业甲级资质的企业,可以申请综合资质。

2.建筑设计事务所或者结构设计事务所,可以按照资质升级要求直接申请建筑工程专业甲级资质。

事务所可以同时具有建筑设计事务所、结构设计事务所和机电设计事务所资质。具有工程设计行业、专业资质的企业不可以申请设计事务所资质。

(八)其他。

1.“近 10 年”是指自申请资质年度起逆推 10 年。如:申报年度为 2022 年,则近 10 年业绩是指 2012 年 1 月 1 日之后建成投产的工程项目。未建成投产的工程业绩、个人业绩不予认可。

2.保密工程不得作为工程业绩、个人业绩申报。

3.本标准的“以上”“以下”均包含本数。